35kV支柱式复合外套无间隙金属氧化物避雷器研制
摘 要:优化35kV避雷器的绝缘结构设计和力学结构设计,研制开发出一种保护特性好、机械强度高,集35kV支柱绝缘子与35kV复合外套无间隙金属氧化物避雷器于一体的35kV支柱式复合外套无间隙金属氧化物避雷器,最大限制地减少电杆元件和引线,达到优化电力变压器、电力电缆登杆装置的目的。型式试验结果证实:该支柱式避雷器完全符合优化设计要求,现场安装时,可以选择横置、竖置或吊装等承力或不承力安装方式,不仅可以作为避雷器使用,同时还可以兼作支柱绝缘子使用。
关键词:支柱式避雷器;绝缘承力骨架;曲折迷宫式凹槽
0 引言
复合外套无间隙金属氧化物避雷器因具有体积小、重量轻、过电压保护特性好等诸多特点,已经广泛应用于输配电系统。但是,目前35kV配电系统使用的复合外套无间隙金属氧化物避雷器由于其绝缘结构设计和力学结构设计的局限性,只能竖直安装或吊装,产品功能单一、安装引线较多、占用空间较大。特别是在线路、电缆终端或避雷器运行维护和检修作业时,存在较大的人身和设备安全隐患。
本文在基于10kV支柱式复合外套无间隙金属氧化物避雷器的成功经验的基础上,优化35kV避雷器的绝缘结构设计和力学结构设计:(1)选用高强度合成树脂绝缘材料作为承力结构,优化金属连接件机械设计和迷宫式防潮设计;(2)选用硅橡胶作为全密封外绝缘材料,并采取整体一次注橡成型技术和界面偶联技术,有效保证硅橡胶与承力结构、金属连接件的良好粘结;(3)选用通流容量大、保护特性好的非线性氧化锌电阻片,保证 2000μs方波电流400A(优于标准规定值:150A)和4/10μs大电流冲击耐受100kA(优于标准规定值:65 kA),经过反复理论计算和试验验证,成功地研制开发出一种保护特性好、机械强度高,集35kV支柱绝缘子与35kV复合外套无间隙金属氧化物避雷器于一体的35kV支柱式复合外套无间隙金属氧化物避雷器(如图1所示),一方面提高了避雷器机械性能、密封防水性能和过电压保护性能,另一方面可以部分取代支柱绝缘子,减少电杆元件和引线,节约电杆空间,确保电力系统安全、稳定、经济、有效运行。

图1 35kV支柱式复合外套无间隙金属氧化物避雷器
1 避雷器技术参数优化设计
根据DL/T 613-1997《进口交流无间隙金属氧化物避雷器技术规范》的规定,避雷器额定电压可按(1)式选择:
Ur≥kUt (1)
式中,Ur——避雷器额定电压,kV;
k ——切除短路故障时间系数,10s及以内切除故障=1.0,10s以上切除故障=1.3;
Ut——暂时过电压,kV。
考虑到35kV系统采用中性点非直接接地方式,则暂时过电压Ut = Um=40.5kV(Um为系统最高工作电压,kV),即35kV交流系统用避雷器额定电压推荐值为54kV(10s以上切除故障)。
而按照GB 11032-2000《交流无间隙金属氧化物避雷器》推荐,35kV交流系统用避雷器典型额定电压的标准值为51kV,与DL/T 613-1997《进口交流无间隙金属氧化物避雷器技术规范》的避雷器额定电压推荐值有所不同。
但是在DL/T 613-1997《进口交流无间隙金属氧化物避雷器技术规范》中明确提到:“按IEC标准规定,避雷器在注入标准规定的能量后,必须能耐受相当于额定电压数值的暂时过电压至少10s。”而按GB 11032-2000《交流无间隙金属氧化物避雷器》生产的国产避雷器在额定电压下能可靠耐受2h,在1.08倍额定电压下能可靠耐受10s(Ur =51kV,1.08 Ur =55kV)。
即按IEC标准生产的进口中压避雷器在额定电压下的耐受时间比国产中压避雷器要短得多,因此本研究项目按照GB 11032-2000《交流无间隙金属氧化物避雷器》选定额定电压为51kV是具有较大裕度的,能保证避雷器具有较高的工频电压耐受能力,即使系统发生单相接地等情况出现工频过电压时也能正常运行,防止工频过电压时由于氧化锌避雷器损坏而影响电网的安全运行。
根据额定电压为51kV设计的35kV支柱式复合外套无间隙金属氧化物避雷器的主要技术参数见表1。
表1 35kV支柱式复合外套无间隙金属氧化物避雷器的主要技术参数
|
序号 |
项 目 |
单 位 |
参 数 |
|
1 |
系统标称电压Un(有效值) |
kV |
35 |
|
2 |
避雷器额定电压Ur(有效值) |
kV |
51 |
|
3 |
避雷器持续运行电压Uc(有效值) |
kV |
40.8 |
|
4 |
直流1mA参考电压U1mA |
kV |
≥73 |
|
5 |
0.75 U1mA下的泄漏电流 |
μA |
≤30 |
|
6 |
标称放电电流 |
kA |
5 |
|
7 |
1/5μs 5kA陡波冲击电流下的残压(峰值) |
kV |
≤154 |
|
8 |
8/20μs 5kA雷电冲击电流下的残压(峰值) |
kV |
≤134 |
|
9 |
30/80μs 250A操作冲击电流下的残压(峰值) |
kV |
≤114 |
|
10 |
2000μs方波电流(峰值) |
A |
400 |
|
11 |
4/10μs大电流冲击耐受(峰值) |
kA |
100 |
|
12 |
工频耐受电压(有效值) |
干态 |
kV |
100 |
|
湿态 |
kV |
80 |
|
13 |
1.2/50μs雷电冲击耐受电压(峰值) |
kV |
185 |
|
14 |
爬电比距 |
mm/kV |
29 |
|
15 |
1.05 Uc下的局部放电量 |
pC |
≤30 |
|
16 |
24h抗弯负荷耐受(特殊要求) |
kN |
≥1.5 |
|
17 |
1min抗弯负荷耐受(绝缘子要求) |
kN |
≥2 |
|
18 |
1h扭曲耐受力矩(特殊要求) |
N·m
|
≥500 |
2 避雷器绝缘结构和力学结构优化设计
35kV支柱式复合外套无间隙金属氧化物避雷器由非线性氧化锌电阻片、上下电极、绝缘承力骨架、硅橡胶外套和连接金具组成,以下简称支柱式避雷器,其结构如图2所示。

其中:1—连接金具 2—下电极 3—硅橡胶外套
4—氧化锌电阻片 5—绝缘承力骨架 6—上电极
图2 35kV支柱式复合外套无间隙金属氧化物避雷器结构示意图
2.1 电极优化设计
支柱式避雷器在电极优化设计时,必须同时满足:(1) 优良的电气性能;(2)优良的机械性能,且同时符合支柱绝缘子相关标准要求;(3)有效阻断外界水分、潮气迁移通道。上下电极分别如图3和图4所示。

图3 上电极 图4 下电极
图3和图4中的电极均采取了特殊设计的曲折迷宫式凹槽,一方面增加了电极与高强度树脂承力骨架的接触面,将自重力和外界应力迅速、均匀地分散到承力骨架并传递到电杆,其承力强度符合支柱绝缘子要求;另一方面,延长了水分、潮气迁移路径和迁移势垒,有效防止水分和潮气的侵入。电极本身材质将影响到机械应力的承受能力和传递能力,同时也会影响到暂态大电流的通过能力。经过反复机械强度和接触电阻试验,最终选用挤压合金铝棒加工电极,其组合机械强度≥1.5kN。
2.2 绝缘承力骨架优化设计
通常,电气绝缘承力骨架采用玻璃纤维增强的树脂,经缠绕法、手糊法或挤压引拔法等传统工艺制成。由于制造过程中的温度和压力较低,骨架成型后的密度较小,树脂与玻璃纤维没有充分亲润和粘合,分子间距离较大,其宏观机械性能,特别是抗蠕变性能不能够满足长期承力的使用要求。因此支柱式避雷器选用高强度模塑玻璃纤维增强树脂,采取高温高压力模压一次成型工艺,最大限度地缩小分子间距离、提高承力骨架结构的密度、提高树脂与玻璃纤维亲润程度和粘合力,使得绝缘承力骨架结构具有更优异的宏观机械性能和抗蠕变性能,满足避雷器横置安装,或作为支柱绝缘子使用时,长期承载机械应力的使用要求。
2.3 连接金具设计
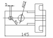
参考横担绝缘子金具的设计标准,支柱式避雷器连接金具的定位孔设计不仅要兼顾与线路横担通用性,同时还要考虑避雷器自重、外界机械应力(或冲击力)和金属铁横担的疲劳变形。因此在支柱式避雷器连接金具设计时,增加了连接金具与金属铁横担的接触面积,增加了连接金具与避雷器电极的接触面积。接触面积增加不仅能够迅速、均匀地传递机械应力,而且能够减小弯曲力矩和扭转力矩。另外,在连接金具过渡部位增加两道加强筋,使得连接金具的抗弯强度和抗扭强度提高120%以上,且避雷器安装更简单、更方便。连接金具结构和尺寸如图5所示。


图5 连接金具结构和尺寸
3 试验研究
3.1 抗弯负荷试验
本文对35kV支柱式复合外套无间隙金属氧化物避雷器进行了抗弯负荷试验,并在抗弯负荷试验中检验其电气性能随时间的变化。试验方法为(1)给避雷器顶部施加1.6kN的水平拉力,连续时间24h;(2)每间隔2h,测量避雷器的直流1mA参考电压(U1mA)和0.75倍直流1mA参考电压下的泄漏电流(IL)。抗弯负荷试验中避雷器U1mA和IL试验值见表2,避雷器的电气性能随时间变化曲线如图6和图7所示。
表2 抗弯负荷(1.6kN/24h)试验中避雷器U1mA和IL试验值
|
时间
试验 (h)
项目 |
2 |
4 |
6 |
8 |
10 |
12 |
14 |
16 |
18 |
20 |
22 |
24 |
|
|
|
U1mA(kV) |
78.5 |
78.4 |
78.5 |
78.4 |
78.3 |
78.4 |
78.4 |
78.5 |
78.5 |
78.4 |
78.5 |
78.6 |
|
|
IL(μA) |
8 |
8 |
9 |
8 |
7 |
6 |
9 |
9 |
7 |
8 |
6 |
7 |
|

图6 抗弯负荷(1.6kN/24h)试验中避雷器的U1mA随时间变化曲线

图7 抗弯负荷(1.6kN/24h)试验中避雷器的IL随时间变化曲线
表2和图6、图7的试验结果表明:采用高强度模塑玻璃纤维增强树脂模塑成型的绝缘承力骨架设计能够满足35kV避雷器长期横置安装,并能保证承受1.6kN/24h抗弯负荷后,其电气性能不发生变化。
3.2 型式试验
为了严格考核35kV支柱式复合外套无间隙金属氧化物避雷器的绝缘结构设计和力学结构设计,本文依据GB 11032-2000、GB 8287-1998、DL/T 815-2002、JB/T 8952-2005和JB 5892-1991等标准,同时,充分考虑运行现场可能出现的极端意外情况,制定出35kV支柱式复合外套无间隙金属氧化物避雷器技术条件共18项型式试验项目,且技术条件中所规定的型式试验项目和技术要求除满足上述标准的规定外,还增加了诸如扭曲负荷试验、机械密封联合试验、抗弯负荷耐受试验等等试验项目,旨在考核支柱式避雷器承载机械应力的能力以及承载机械应力下的电气性能。并完成了技术条件规定的全部型式试验项目,主要试验项目和试验结果列入表3中。
表3 型式试验主要试验项目和试验结果
|
序号 |
试验项目名称 |
标准要求 |
试验结果 |
评价 |
|
1 |
0.75倍直流1mA参考电压下漏电流试验 |
IL(0.75 U1mA. DC)≤30μA |
3.0~7.0μA |
合格 |
|
2 |
局部放电试验 |
1.05 UC下,PD≤30pC |
PD=10.0~12.0pC |
合格 |
|
3 |
机械性能试验 |
耐受抗弯负荷1000N,10s
耐受扭曲负荷500N.m,1h |
1000N,12s
500N.m,1h |
合格 |
|
4 |
残压试验 |
陡波冲击残压试验 |
≤154.0kVp |
136.0kVp |
合格 |
|
雷电冲击残压试验 |
≤134.0kVp |
128.4kVp |
合格 |
|
操作冲击残压试验 |
≤114.0kVp |
106.0kVp |
合格 |
|
5 |
长持续时间电流耐受试验 |
方波冲击电流试验 |
方波冲击400A |
406~435A |
合格 |
|
6 |
大电流冲击动作负载试验 |
加速老化试验 |
115℃,1000h |
Kct(max)=1.0 |
合格 |
|
大电流冲击动作负
载试验 |
4/10μs、100kA冲击二次 |
97.5~102kA |
合格 |
|
7 |
机械密封联合试验 |
试品应耐受24h 1500N的抗弯负荷和浸入水中泡336h 500N的抗弯负荷,且能通过电气验证试验。 |
符合要求 |
合格 |
|
8 |
抗弯负荷耐受试验 |
耐受抗弯负荷2000N,1min |
2000N,1min |
合格 |
型式试验结果证实:该支柱式避雷器完全符合优化设计要求,现场安装时,可以选择横置、竖置或吊装等承力或不承力安装方式,不仅可以作为避雷器使用,同时还可以兼作支柱式绝缘子使用。
4 结论
4.1 35kV支柱式复合外套无间隙金属氧化物避雷器保护特性好、机械强度高,集35kV支柱绝缘子与35kV复合外套无间隙金属氧化物避雷器于一体,一方面提高了避雷器机械性能、密封防水性能和过电压保护性能,另一方面可以部分取代支柱绝缘子,减少电杆元件和引线,节约电杆空间,确保电力系统安全、稳定、经济、有效运行。
4.2 35kV支柱式复合外套无间隙金属氧化物避雷器电气参数均满足了避雷器相关标准的规定,特别是电流冲击耐受能力远远超过了避雷器相关标准的规定,保证2000μs方波电流400A(优于标准规定值:150A)和4/10μs大电流冲击耐受100kA(优于标准规定值:65 kA),满足电力系统安全运行要求。
4.3 35kV支柱式复合外套无间隙金属氧化物避雷器完成了技术条件规定的全部型式试验项目,试验结果证实该支柱式避雷器完全符合优化设计要求,现场安装时,可以选择横置、竖置或吊装等承力或不承力安装方式,不仅可以作为避雷器使用,同时还可以兼作支柱绝缘子使用,能够最大限制地减少电杆元件和引线,达到优化电力变压器、电力电缆登杆装置的目的。
参考文献
[1] 张怡、张锦秀、金祎、陈守直,支柱式合成绝缘避雷器改进电缆登杆装置[J],高电压技术,1997,23(2):81-83
[2] 罗俊华、张锦秀等,配电型支柱式复合外套氧化锌避雷器运行经验[J],高电压技术,2000 26(5):68-69
[3] 张军、黄西雁、王国伟,SMC不饱和聚酯玻璃纤维复合绝缘材料在CVT产品上的应用研究[J],电力电容器,2000(1):43-45
[4] 张纬钹、何金良、高玉明,过电压防护及绝缘配合[M],北京:清华大学出版社,2002
[5] 陈维贤、张元芳、方瑜,电网过电压教程[M],北京:中国电力出版社,1996
[6] 董振亚,电力系统的过电压保护[M],北京:中国电力出版社,2000
[7] 沈开猷,不饱和聚酯树脂及其应用[M],北京:化学工业出版社,2005
[8] 黄发荣、焦扬声、郑安呐,不饱和聚酯树脂[M],北京:化学工业出版社,2001
[9] GB 311.1-1997,高压输电设备的绝缘配合[S],北京:中国标准出版社,1998
[10] GB 8287.1-1998,高压支柱瓷绝缘子第1部分:技术条件[S],北京:中国标准出版社,1998
[11] GB 11032-2000,交流无间隙金属氧化物避雷器[S],北京:中国标准出版社,2000
[12] GB/T 4207-1984,固体绝缘材料在潮湿条件下相比漏电起痕指数和耐漏电起痕指数的测定方法[S],北京:中国标准出版社,1984
[13] DL/T 596-1996,电力设备预防性试验规程[S],北京:中国电力出版社,1997
[14] DL/T 613-1997,进口交流无间隙金属氧化物避雷器技术规范[S],北京:中国电力出版社,1997
[15] DL/T 620-1997,交流电气装置的过电压保护和绝缘配合[S],北京:中国电力出版社,1997
[16] DL/T 815-2002,交流输电线路用复合外套金属氧化物避雷器[S],北京:中国电力出版社,2002
[17] JB/T 8952-2005,交流系统用复合外套无间隙金属氧化物避雷器[S],北京:机械工业出版社,2005
[18] JB 5892-1991,高压线路用有机复合绝缘子技术条件[S],北京:机械工业出版社,1992